TECHNICAL I ELECTRICAL DIAGRAMS

Types of Electrical Drawings Found in Electrical Work

By CircuitGates Team 5 Min Read
layout diagram

Electrical Drawings

In electrical work, different diagrams are used depending on the information that needs to be conveyed. These diagrams include layout diagrams, circuit diagrams, block diagrams, single line diagram and wiring diagrams.

Layout Diagram

A layout diagram shows the physical placement of electrical components on a structure, device, or board.

The following layout diagram shows the physical placement of light bulbs, switches, cooker unit, energy meter, distribution board, and sockets on a house plan.

Electrical layout diagram

Layout diagrams are most important in new installations where the installer will want to know where to put the components.

Block Diagram

An electrical block diagram is used to show the flow of the system using shapes and lines connecting the shapes.

In the following diagram, the block diagram is used to show the flow of electricity in the domestic installation.

The shapes used in a block diagram usually represent devices in the installation, and lines are usually single .

Electrical block diagram

Single Line Diagram

A single line diagram also shows the flow of electricity, using symbols connected by a single line.

A single line diagram shows information like the ratings and specifications of the components in the electrical system. It is more common in transmission systems.

In a single line diagram, the three phases, live, neutral or earth are shown using just one line.

Electrical single line diagram

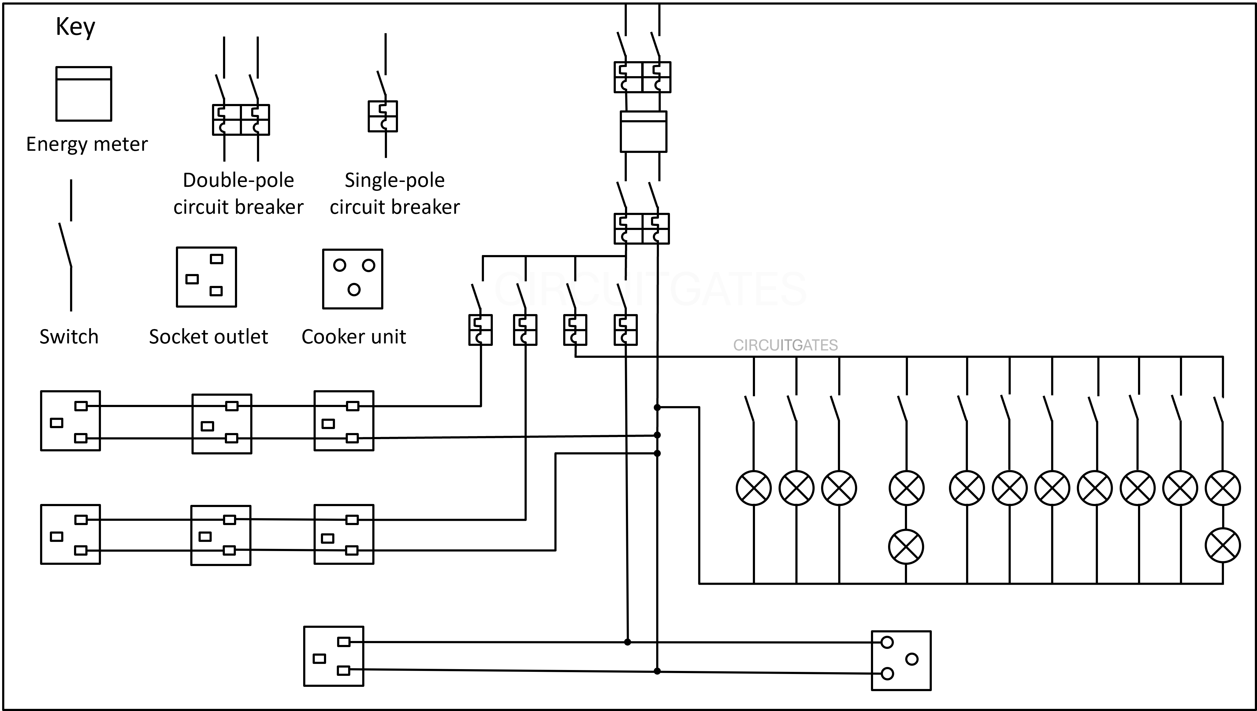
Circuit Diagram

A circuit diagram or schematic diagram is mostly focused on showing how an electrical system works, helping electricians understand how electricity is moving in an electrical system.

The components in the circuit diagram are represented using symbols. The following diagram shows a circuit diagram of electricity supplied to the a house.

Electrical circuit diagram

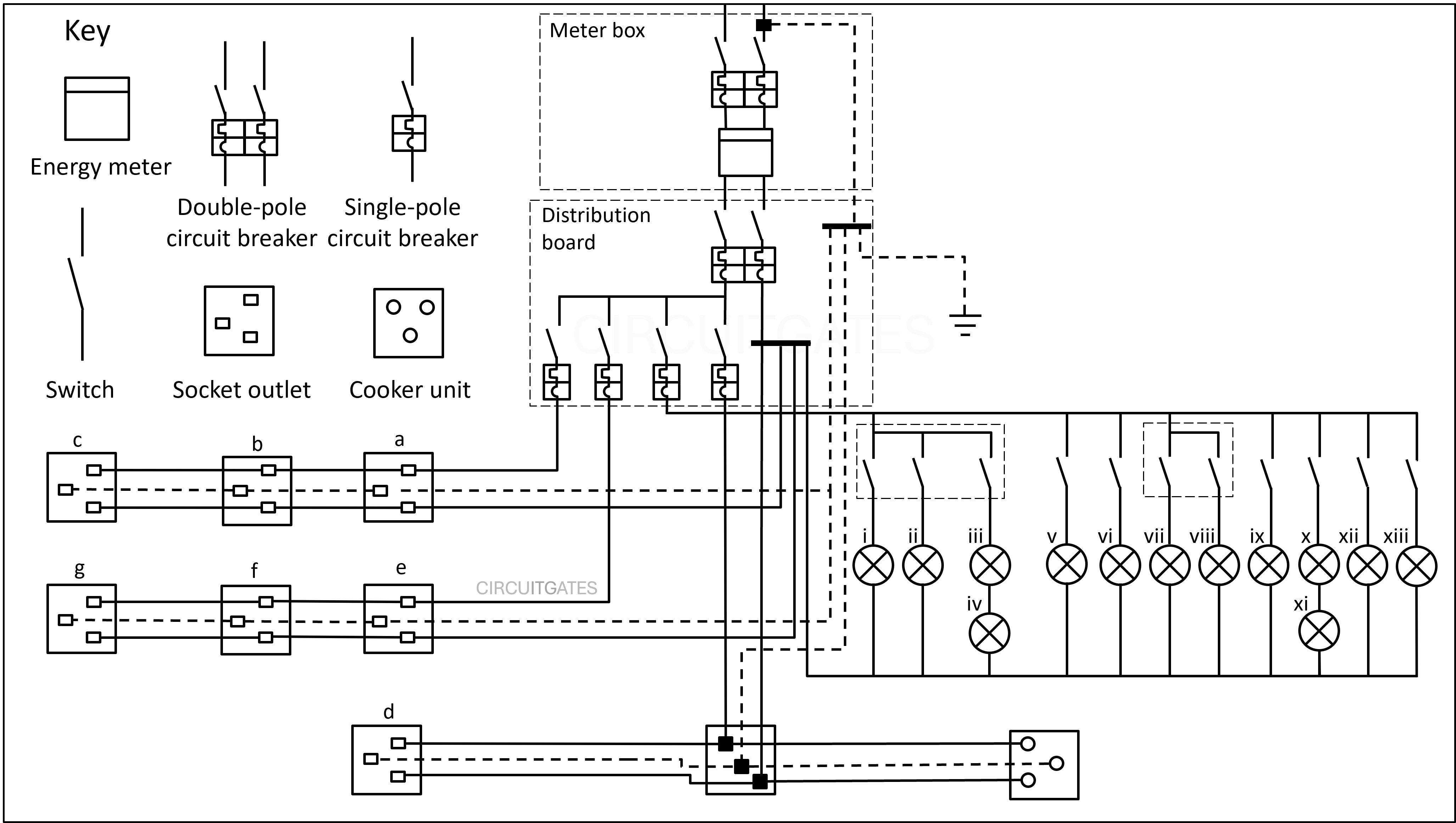
Wiring Diagram

Wiring diagrams show how the electricals system's components are connected, they are more focused on installation, setup, and trouble shooting.

Wiring diagrams and circuit diagrams are usually similar as both use the same symbols for components, but wiring diagrams have other additions.

The additions include device tags, wire tags and more that help the electrician to identify components in the field and connect the cables to the right components.

The following diagram shows a wiring diagram of a domestic installation.

Electrical wiring diagram

If you look at the wiring diagram closely and relate it to the previous layout diagram, you can see how the wiring is going to be done.

On the wiring diagram, we have not earthed the lamps because we are assuming that the fixtures and casings of the lighting circuits have no metal parts.

If you have made it this far, you have made it. Consider visiting our YouTube channel; we have helpful electrical tutorials there.